This website requires JavaScript.
Explore
Help
Sign In
gomaomao
/
DIY-Multiprotocol-TX-Module
Watch
1
Star
0
Fork
0
You've already forked DIY-Multiprotocol-TX-Module
mirror of
https://github.com/pascallanger/DIY-Multiprotocol-TX-Module.git
synced
2025-10-29 18:11:05 +00:00
Code
Issues
Projects
Releases
Wiki
Activity
DIY-Multiprotocol-TX-Module
/
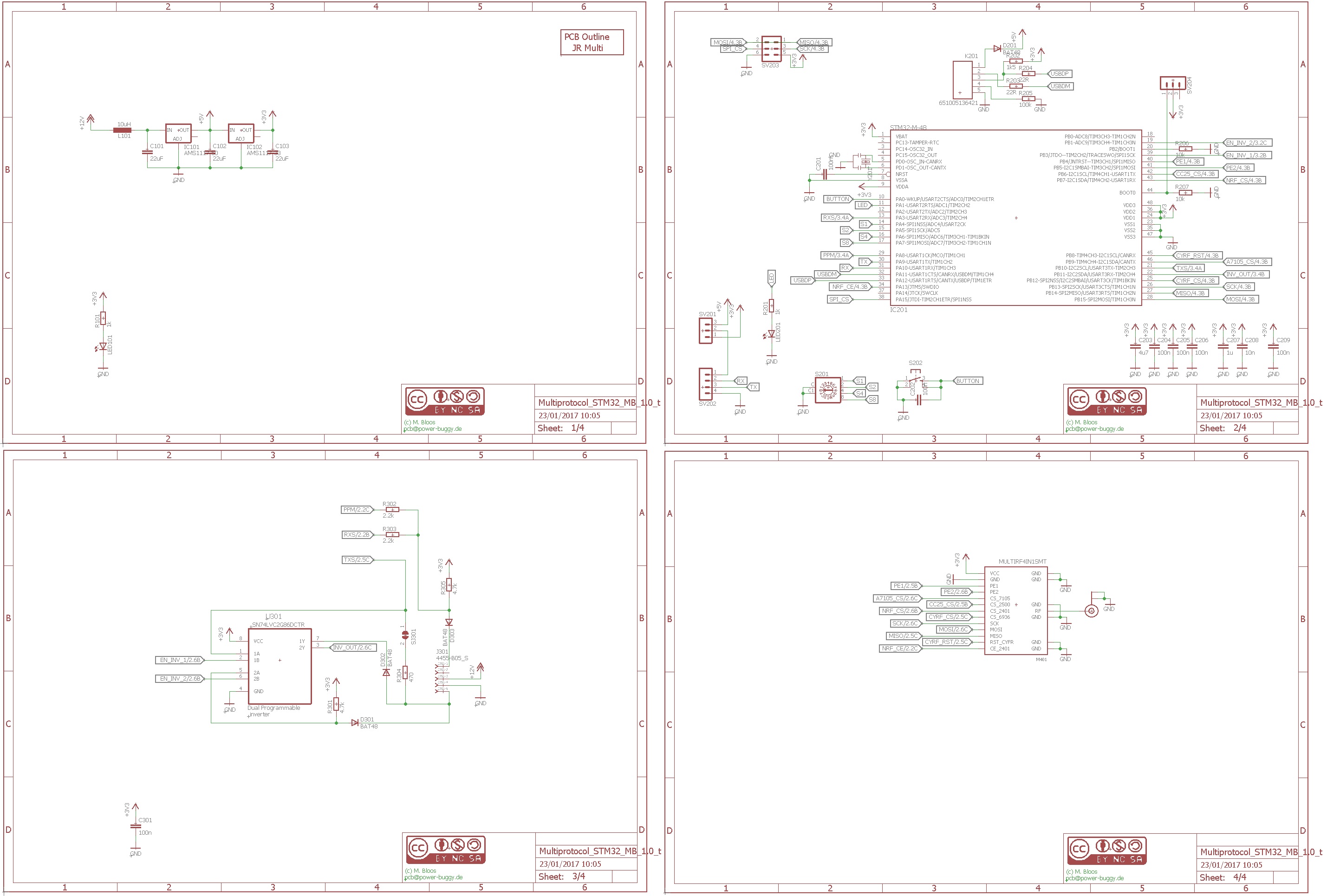
STM32 PCB
/
Schematic_Multiprotocol_STM32_MB_v1.0_t.jpg
pascallanger
591f9fa4c2
Added old STM32 PCB version 0.8t
2017-01-23 13:14:07 +01:00
637 KiB
2858x1930px
Raw
History