This website requires JavaScript.
Explore
Help
Sign In
gomaomao
/
DIY-Multiprotocol-TX-Module
Watch
1
Star
0
Fork
0
You've already forked DIY-Multiprotocol-TX-Module
mirror of
https://github.com/pascallanger/DIY-Multiprotocol-TX-Module.git
synced
2025-10-29 10:01:04 +00:00
Code
Issues
Projects
Releases
Wiki
Activity
DIY-Multiprotocol-TX-Module
/
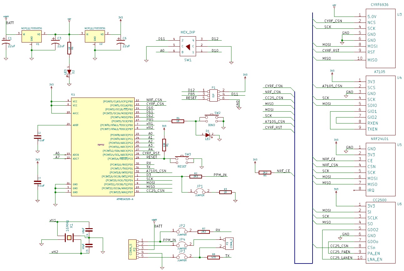
PCB v2.3d
/
Schematic_v2.3d.jpg
pascallanger
24106ac3d2
PCB v2.3d pictures
2016-02-10 11:26:57 +01:00
224 KiB
1290x867px
Raw
History